无线RTU的电源(输出12VDC/1.5A):
线材颜色 | 电源极性 |
黑白相间 | 正极 |
黑色 | 负极 |
无线RTU的RS232线(一端为DB9母头):
线材颜色 | 对应DB9母头管脚 |
棕色 | 2 |
蓝色 | 3 |
黑色 | 5 |
无线RTU的电源接线图(供电范围5-36VDC,要求功率大于4W,建议使用选配电源):

无线RTU的RS232接口接示意图线图

无线RTU的RS485接口传感器接线图:(如接RS485水位计等。默认波特率9600 bps)

无线RTU的开关量输入接线图:(湿接点)

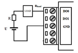
无线RTU的数字量输出接线图:(OC门输出,额定驱动电流50mA,额定驱动电压35VDC;即R+Rload>20U欧,U<=35VDC)

无线RTU的继电器输出接线图:(最大切换电压30VDC,最大切换电流1A,最大切换功率30W)
无线RTU的4-20mA模拟量输入接线示意图:

无线RTU的两线制电流环传感器接线图:(电流,4-20mA)

无线RTU的SDI传感器接线图:

无线RTU的翻斗式雨量计接线图:

无线RTU的12位格雷码水位计接线图:

设备通常应用于复杂的外部环境。为了适应复杂的应用环境,提高系统的工作稳定性,设备采用了先进的电源技术。用户可采我司选配的12VDC/1.5A电源适配器给设备供电,也可以直接用直流5~36V电源给设备供电。当用户采用外加电源给设备供电时,必须保证电源的稳定性(纹波小于300mV,并确保瞬间电压不超过36V),并保证电源功率大于4W以上(不包含外接传感器的功耗)。
推荐使用选配的12VDC/1.5A电源。
EbpayBaimatech,集M2M产品研发、IoT平台服务、国际化运营于一体,让我们联接,共创未来